Niezależny przełącznik podróży z podwójnym biegiem jest automatycznym elementem sterowania wywołanym ruchem mechanicznym. Jego podstawową funkcją jest wykrycie przemieszczenia lub udaru obiektu w celu osiągnięcia otwierania i zamknięcia obwodów, startu i zatrzymania sprzętu lub ograniczenia ochrony. Jest to niezbędny „wartość bezpieczeństwa” i „dowódca akcji” w automatyzacji przemysłowej i sprzęcie elektromechanicznym.
Przełącznik WprowadzanieUction
Przełącznik podróży (znany również jako przełącznik graniczny) jest automatycznym elementem sterowania wywołanym ruchem mechanicznym. Jego podstawową funkcją jest wykrycie przemieszczenia lub udaru obiektu w celu osiągnięcia otwierania i zamknięcia obwodów, startu i zatrzymania sprzętu lub ograniczenia ochrony. Jest to niezbędny „wartość bezpieczeństwa” i „dowódca akcji” w automatyzacji przemysłowej i sprzęcie elektromechanicznym.
Przełącznik ApplicaTion
Aplikacja w urządzeniach domowych i inteligentnym domu:
Pralka:Przełącznik graniczny jest zainstalowany na drzwiach pralki obciążającej przednią. Urządzenie rozpocznie się dopiero wtedy, gdy drzwi będą całkowicie zamknięte, a przełącznik aktywuje obwód, który zapobiega wyrzuceniu wycieku wody lub ubrania podczas pracy.
Lodówka/piekarnik:Gdy drzwi lodówki są zamknięte, przełącznik wywołuje, aby wyłączyć światło wewnętrzne. I odwrotnie, jeśli drzwi piekarnika nie zostaną bezpiecznie zamknięte, przełącznik odcinnie zasilanie do elementów grzewczych, aby zapobiec wyciekowi cieplnemu.
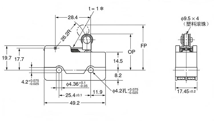
Przełącznik Bliższe dane
