Jako model wzorcowy serii mikroprzełączników firmy Yueqing Tongda Wire Electric Factory, normalnie otwarty mikroprzełącznik z dźwignią komponentów elektronicznych charakteryzuje się „wysoką czułością, bardzo długą żywotnością i możliwością dostosowania do wielu scenariuszy” jako podstawowymi zaletami. Łącząc 35-letnie doświadczenie firmy w produkcji przełączników, stało się ono kluczowym elementem sterowania w sprzęcie gospodarstwa domowego, elektronice samochodowej, automatyce przemysłowej i innych dziedzinach dzięki minimalnej przerwie stykowej i mechanizmowi szybkiego działania. Jego wydajność i niezawodność zostały potwierdzone przez wiele autorytatywnych organizacji na całym świecie, co zapewnia jego główną pozycję na niszowym rynku.
Wprowadzenie do mikroprzełącznika
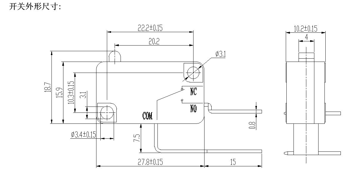
Seria HK-14 oferuje bardzo elastyczne opcje dostosowywania, aby spełnić zróżnicowane wymagania aplikacji. Siłę roboczą można dostosować (mniej niż 5,0 N w stanie bez dźwigni, standardowo 30 ± 15 gf), przy zakresie skoku roboczego 0,6–1,5 mm, odpowiednim dla różnych scenariuszy siły wyzwalania i przemieszczenia. Można dostosowywać style dźwigni, w tym dźwignie proste, wygięte i rolkowe, które można dopasować do różnych mechanicznych konstrukcji przekładni. Formularze kontaktowe obejmują pełen zakres SPDT (1NO 1NC), NO i NC.
Parametr mikroprzełącznika (specyfikacja)
| Przełącznik charakterystyka techniczna: | |||
| PRZEDMIOT | Parametr techniczny | Wartość | |
| 1 | Ocena elektryczna | 5(2)A/10A/16(3)A/21(8)A 250VAC | |
| 2 | Opór kontaktowy | ≤30mΩ Wartość początkowa | |
| 3 | Rezystancja izolacji | ≥100MΩ (500VDC) | |
| 4 |
Dielektryk Woltaż |
Między niepodłączone zaciski |
1000 V/0,5 mA/60 s |
|
Między terminalami i metalową ramę |
3000 V/0,5 mA/60 s | ||
| 5 | Życie elektryczne | ≥50000 cykli | |
| 6 | Życie mechaniczne | ≥1000000 cykli | |
| 7 | Temperatura pracy | -25 ~ 125 ℃ | |
| 8 | Częstotliwość robocza |
elektryczne: 15 cykli Mechaniczne: 60 cykli |
|
| 9 | Odporny na wibracje |
Częstotliwość wibracji: 10 ~ 55 Hz; Amplituda: 1,5 mm; Trzy kierunki: 1H |
|
| 10 |
Możliwość lutowania: Ponad 80% zanurzonej części należy pokryć lutem |
Temperatura lutowania: 235 ± 5 ℃ Czas zanurzenia: 2 ~ 3 S |
|
| 11 | Odporność na ciepło lutowania |
Lutowanie zanurzeniowe: 260 ± 5 ℃ 5 ± 1 S Lutowanie ręczne: 300 ± 5 ℃ 2 ~ 3 S |
|
| 12 | Atesty bezpieczeństwa | UL, CSA, VDE, ENEC, TUV, CE, KC, CQC | |
| 13 | Warunki testu |
Temperatura otoczenia: 20 ± 5 ℃ Wilgotność względna: 65 ± 5% wilgotności względnej Ciśnienie powietrza: 86 ~ 106 KPa |
|
Funkcja i zastosowanie mikroprzełącznika
Szczegóły mikroprzełącznika
