Wtyczka typu kolumny przycisk mikro przełącznik w częściach automatycznych ma niewielki przedział kontaktowy i mechanizm szybkiego działania, a mechanizm kontaktowy do przełączania z określonym skokiem i siłą jest pokryty skorupą, a na zewnątrz jest transmisja, a kształt jest mały.
Produkt WprowadzanieUction
Mikro przełączniki pchania na push to powszechny element elektroniczny stosowany do kontrolowania stanu włączania i wyłączania obwodu. Zwykle składa się z przycisku i przełącznika, który zmienia stan po naciśnięciu przycisku.
Przełączniki przycisków mogą używać efektu migającego, po naciśnięciu przycisku przycisk mrugnie, aby przyciągnąć uwagę użytkownika.
Produkt ApplicaTion i specyfikacja
Wtyczka typu kolumny przycisk Mikro można użyć do sterowania światłem, po naciśnięciu przycisku światło włączy lub wyłączy się. Można go również używać do kontrolowania przełącznika urządzeń elektrycznych, klimatyzatora itp. W polu przemysłowym przełączniki przycisków są szeroko stosowane do kontrolowania startu i zatrzymania urządzeń mechanicznych. Czy to sprzęt domowy, przemysłowy, motoryzacyjny lub elektroniczny, jest on nierozłączny od tego prostego komponentu sterowania.
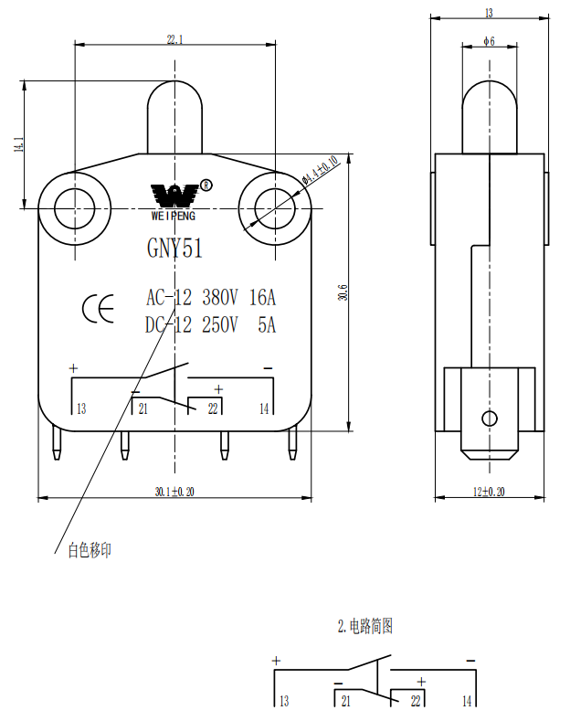
| Zmień cechy techniczne: | |||
| PRZEDMIOT | Parametr techniczny | Wartość | |
| 1 | Ocena elektryczna | 16A 250VAC | |
| 2 | Odporność na kontakt | ≤ 50 mΩ Wartość początkowa | |
| 3 | Odporność na izolację | ≥100 mΩ (500VDC) | |
| 4 |
Dielektryk Woltaż |
Między Niebójane terminale |
500 V/0,5 mA/60s |
| Między terminalami i metalowa rama |
1500 V/0,5 mA/60s | ||
| 5 | Życie elektryczne | ≥50000 cykli | |
| 6 | Życie mechaniczne | ≥100000 cykli | |
| 7 | Temperatura robocza | -25 ~ 125 ℃ | |
| 8 | Częstotliwość robocza | Elektryczne: 15 cykli Mechaniczne: 60 cykli |
|
| 9 | Dowód wibracyjny | Częstotliwość wibracji: 10 ~ 55 Hz; Amplituda: 1,5 mm; Trzy kierunki: 1h |
|
| 10 | Zdolność lutu: Ponad 80% zanurzonej części powinien być pokryty lutem |
Temperatura lutowania: 235 ± 5 ℃ Czas zanurzenia: 2 ~ 3s |
|
| 11 | Odporność na ciepło lutu | STOUNIKA DIP: 260 ± 5 ℃ 5 ± 1s Ręczne lutowanie: 300 ± 5 ℃ 2 ~ 3s |
|
| 12 | Zatwierdzenia bezpieczeństwa | UL 、 CSA 、 TUV 、 CQC 、 CE | |
| 13 | Warunki testowe | Temperatura otoczenia: 20 ± 5 ℃ Wilgotność względna: 65 ± 5%RH Ciśnienie powietrza: 86 ~ 106 kPa |
|
Produkt Bliższe dane


